Product code: SCRAP CHUTE S6000 / S8000

The Scrap Chute is a device for conveying parts and scrap that are ejected from dies.
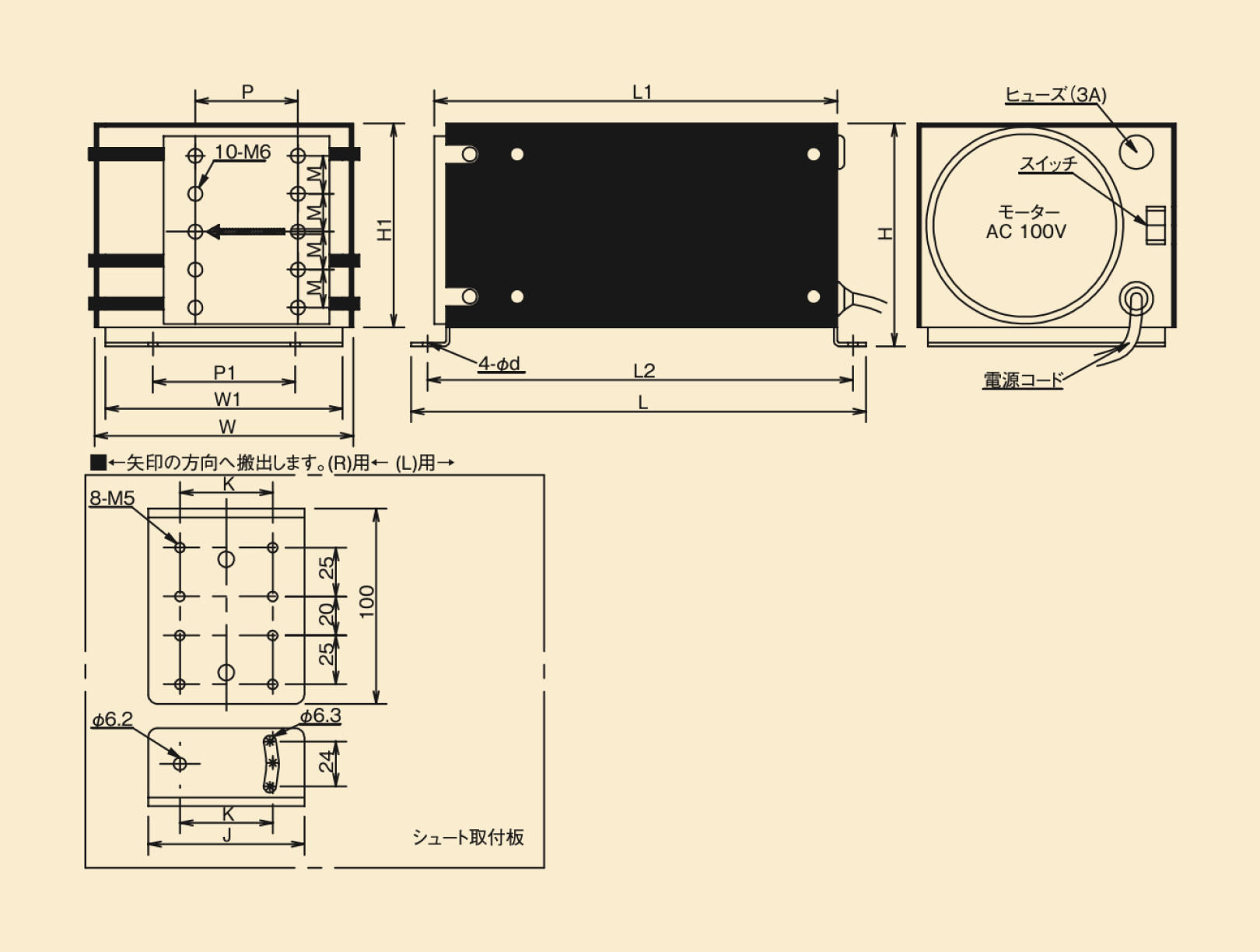
The compact design makes it easy to attach to press machines, dies, etc.
The height and tilt angle of the chute can be changed depending on the ejection parts and mounting position.
| Item/Model | S6000 | S8000 |
|---|---|---|
| Size (mm) | H94×W109×L216 | H104×W125×L239 |
| Power source | AC100V cable 2.5m | |
| Motor (W) | 25 | 40 |
| Stroke (mm) | 20 | 25 |
| Feeding speed (m/min) | 3 to 6 | 3 to 8 |
| Inclination angle (degrees) | 0 to 10 | 0 to 10 |
| Conveying capacity (kg)* | 6 | 8 |
| Machine mass (kg) | 4.1 | 6.1 |
* Conveying capacity includes the mass of the chute.

| Model | L | L1 | L2 | H | H1 | W | W1 | P | P1 | Φd | J | K | M |
|---|---|---|---|---|---|---|---|---|---|---|---|---|---|
| S6000 | 216 | 170 | 198 | 94 | 86 | 109 | 100 | 50 | 60 | 6.5 | 80 | 50 | 16 |
| S8000 | 239 | 200 | 219 | 104 | 96 | 125 | 115 | 60 | 80 | 8.5 | 100 | 60 | 18 |










